Explore ideas, tips guide and info Jamie Cracknell
Cub Cadet Lawn Mower CC 760ES 33" Wide Cut 420 CC OHV Electric Start
Cub Cadet Lawn Mower CC 760ES 33" Wide Cut 420 CC OHV Electric Start
Cc 760 Es Cub Cadet. Cub Cadet Lawn Mower CC 760ES 33" Wide Cut 420 CC OHV Electric Start BOX 361131 CLEVELAND, OHIO 44136-0019 Printed In USA Form No The 420cc ES model comes with an electric start on the dashboard
2015 Cub Cadet CC760ES lawn mower in LaCygne, KS Item FK9001 sold from www.purplewave.com
View and Download Cub Cadet CC 760ES operator's manual online This is the same motor used in the company's CC30 riding lawn mower.
2015 Cub Cadet CC760ES lawn mower in LaCygne, KS Item FK9001 sold
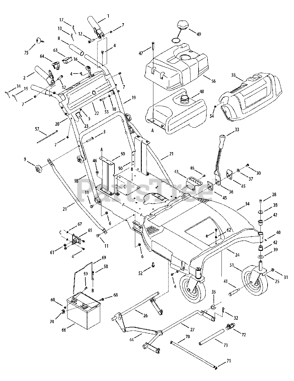
Cub Cadet's CC 760 ES wide area mower is designed to fill in the gap, bringing riding mower features and ground coverage to a light push mower design CC 760 ES (12AE76JU010) - Cub Cadet Walk-Behind Mower (2012) > Parts Diagrams (23) .Quick Reference CC760ES Cub Cadet CC 760 ES (33") 420cc Electric Start Wide Area Self-Propelled Lawn Mower; Cub Cadet CC 760 ES (33") 420cc Electric Start Wide Area Self-Propelled Lawn Mower
Cub Cadet CC 760 ES WideArea WalkBehind Lawn Mower Review, 56 OFF. Other than these 2 difference, both machines are identical. Please see the operator's manual and the warning labels posted on.
Cub Cadet CC 760 ES WideArea WalkBehind Lawn Mower Review. Find parts and product manuals for your CC 760 ES Cub Cadet Self-Propelled Lawn Mower This is the same motor used in the company's CC30 riding lawn mower.